Идеи Ф. Гергенса были развиты А. Принзом [230], Г. Квинке [232, 233], Р. Э. Лизегангом [205], П. П. Пилипенко [87], Ф. В. Чухровым [131], утвердившими их как руководящие при рассмотрении природы моховиков. В результате все моховики стали считать продуктами образования в студне кремнезема мембранных трубок и их скоплений. При этом на детали морфологических особенностей включений в моховиках, также как и на таковые строения основной массы мембранных трубок, должного внимания, как правило, не обращалось. В то же время включения в моховиках оказываются разнородными по строению и условиям образования, и далеко не все из них могут быть сопоставлены с «силикатными растениями».
В качестве типичного моховика, включения в котором обычно трактуются как мембранные трубки, можно привести образец, показанный на фото 84. Большая его часть окрашена зелеными моховидными включениями, «пропитанными» и сцементированными зональноконцентрическим халцедоном (агатом). Для них характерны отдельные тонкие трубки, иногда изгибающиеся и ветвящиеся во многих местах, и их клубкообразные (мочалковидные) срастания (см. рис. 78).
Иногда такие образования выглядят более грубыми, что позволяет отчетливо разобраться в особенностях их строения и формы. В этом отношении большой интерес представляют образцы, показанные на фото 77, 80, 81, на которых значительно лучше видны детали строения моховидных включений и их взаимосоотношений с халцедоном.
В первом из перечисленных образцов особого внимания заслуживают участки с параллельно-слоистым (ониксовым) строением, позволяющим ориентировать их в пространстве. Моховые обособления в нем представляют собой мочалковидные агрегаты из трубчатых образований менее 1 мм в поперечнике.
Исследование их под микроскопом обнаруживает, что эти трубки многослойные. В их центральной части находятся тончайшие трубчатые образования темно-зеленого цвета. Эти трубочки заключены в своеобразные «футляры» прозрачного халцедона, имеющие мелкосферолитовую поверхность. На них в свою очередь нарастает еще один слой светлого прозрачного халцедона, достигающий 2—3 мм толщины. При этом поверхность внешнего халцедонового «футляра» оказывается также мелкосферолитовой, хотя радиус отдельных ее сферолитов значительно больше радиуса сферолитов первого халцедонового «футляра», и их очертания как бы сглаживают очертания первых.
В некоторых случаях внутренний «футляр», покрывающий тончайшие зеленые нити, имеет неправильно-сферолитовую поверхность с большим числом мелких плоскостей, напоминающих грани отдельных мелких ромбоэдрических (?) кристалликов.
Характерная особенность тончайших зеленых нитей (трубочек), находящихся в основании описанных образований,— ритмично-ячеистое (четковидное) их строение и большое число разветвлений, приводящих во многих местах к возникновению спутанно-трубчатых скоплений или к образованию многочисленных объемных занавесей.
Помимо описанных многочисленных трубок сравнительно простого строения в моховых агатах иногда встречаются значительно более сложные трубки. Так. П. П. Пилипенко описывает трубки, состоящие из шести последовательно нарастающих друг на друга чехлов. Касаясь их строения, он пишет: «На продольном разрезе трубки виден тонкий слегка изгибающийся стержень желтовато-зеленого цвета типа виридита
, слабо действующий на поляризованный свет. Этот стержень помещен в чехле из лучистого цеолита с кромкой сильнее поляризующего халцедона, в свою очередь охваченном изотропной трубкой аморфного буроватого опалового вещества, переходящего близ периферии в тонкую зону буроватого халцедона, далее в широкую зону совершенно свободного от включений бесцветного халцедона и, наконец, в одну или несколько зон серого халцедона, богатого неправильно-округлыми чешуйками опалового вещества.
Таким образом, при исследовании в поляризованном свете продольный разрез моховидной трубки всегда распадается на две главные части: центральную, изотропную или почти изотропную («стержень»), и периферическую, состоящую из ряда концентрических колец халцедона, первое среди которых всегда бесцветно и состоит из чистых листочков халцедона...
По длине «виридитовый» стержень дает нередко несколько ответвлений с той же структурой концентрических зон; иногда стержень по длине распадается четкообразно на отдельные точечные звенья неправильно округлой формы. На некоторых шлифах стержни вместе с окружающими их зонами-трубками имеют совершенно прямолинейную по длине форму и не дают никаких ответвлений» [87, с. 290].
Ажурные занавеси, состоящие из трубчатых образований, имеют иногда округлое завершение снизу и тогда вся система трубок превращается в своеобразный ажурный «мешок». Подобная картина хорошо видна на фото 75. Здесь проявлены приуроченность системы трубок к кровле миндалины (ориентируется по ониксу в донной части) и детали строения подобного грубоажурного занавеса-мешка (спереди снизу он частично сошлифован). Обращает на себя внимание также «погружение» занавеса в слой прозрачного халцедона и обрастание последнего новым сферолитовым слоем, сглаживающего очертания занавеса и намечающего деление миндалины снизу на две самостоятельных части, различающиеся уровнем параллельно-слоистого (ониксового) халцедона.
Еще более отчетливо деление миндалины на две самостоятельных части груботрубчатым занавесом видно в образце, показанном на фото 76. Здесь занавес также спускается с кровли миндалины и трубки, слагающие его с периферии, покрываются зональным халцедоном, увеличивающим толщину и протяженность занавеса, отдельные зоны которого повторяют, постепенно сглаживая, поверхность трубок. Именно такой халцедоновый занавес, в основе которого находится система трубчатых агрегатов, делит агат вверху на две части, различающиеся высотой ониксовых прослоек и присутствием в одной из частей широкой зоны кварца, входящей в состав зонально-концентрического выполнения.
Касаясь особенностей морфологии трубчатых образований этого агата, подчеркнем, что большинство из них отходит вертикально или почти вертикально вниз от главной дугообразной трубки, представляющей как бы основу занавеса.
Очень своеобразные трубчатые образования, имеющие строго вертикальную ориентировку, свешивающиеся с кровли миндалины, были обнаружены в образце, показанном на фото 74. Здесь отдельные трубки характеризуются большой толщиной и теми же особенностями поверхности, что описанные выше. В них, однако, нет более тонких зеленых трубчатых оснований, и их средняя часть выполнена зернистым опалоподобным веществом, прокрашенным по межзерновым трещинкам в коричневато-красный цвет. Примечательными особенностями трубок этого образца являются: а) непостоянная толщина многих из них; б) соединение некоторых вертикальных трубок друг с другом с помощью более тонких провисающих (далее такие участки называются провисами); в) свешивание более мелких трубчатых образований с баллонообразных мест раздува более крупных трубок и с провисов, соединяющих некоторые из них.
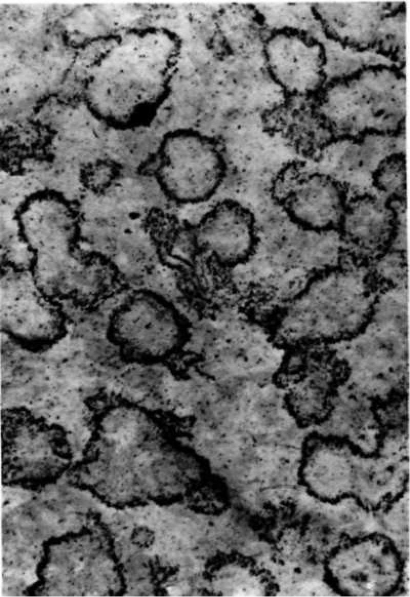
Помимо описанных толстотрубчатых занавесей известны и тонкотрубчатые занавеси. При их исследовании обнаруживаются также ритмично-ячеистое строение отдельных трубок (рис. 90) и характерное петлевидное строение занавеса, в котором более толстые трубки соеди-
Рис. 90. Занавес из мембранных (?) трубок в халцедоне, возникший при фронтальном замещении (?) халцедоном кальцита (?); хорошо видны ритмично-ячеистое строение трубок и ячеистое занавеса. Арц-Богдо, Монголия. Ув. 10. | ![]() |
нены друг с другом более тонкими трубками, образующими клетчатые ячейки
До сих пор речь шла о моховиках в агатах, генетически связанных с базальтами и андезитами. Для агатов из литофиз в риолитах моховики менее характерны, хотя изредка подобные образования попадаются и здесь (фото 136—138).
Собственно моховики не известны в агатах, связанных с осадочными породами, хотя, например, в полостях выщелачивания силицитов наряду с агатами известны своеобразные псевдосталактиты (фото 162), основаниями для формирования которых послужили отдельные тонкие трубки, достигающие иногда более 20 см в длину.
Рассмотренные трубки обычно трактуются как мембранные трубки, или трубки Гергенса — по фамилии исследователя, впервые получившего их экспериментально. Учитывая большое распространение трубок во многих агатах, на представлениях об образовании их как мембранных трубок следует остановиться подробнее.
Фото 110. Формы сечения центральных полостей литофиз, выполненных агатом (см. также с. 251, 252, 253):.
а, б — линзовидная, в — треугольная, г — в виде «бабочки», д — в виде пятилучевой звезды (светло-желтый минерал в правом и верхних лучах звезды — флюорит); литофизы на фото а, б, в, г имеют фельзитовую, а на фото д — отчетливую сферолитовую структуру внешней части (скорлупы, коры); а, б — Айнабулакское месторождение, КазССР, в — Аягуз, КазССР, г — Глаухау в окрестности Фрайберга, ГДР, д — Тарбальджей, Читинская обл. а — 7,5X7 см; б — 14,0Х 14,5 см; в — 8,5X7,0 см; г — 5,2X5,0 см; д — 12X9 см. а — № 83215; б — № 83219; в — № 83214; г — № 7230 ПДК; д — № 83230.
Рис. 81. Крупные водянопрозрачные кубические, кубооктаэдрические кристаллы флюорита и двойники прорастания, нарастающие на корку мелкокристаллического флюорита, покрывающего щетки кварца в полости псевдоморфозы минералов кремнезема по конкреции кальцита. Окрестности Бейнеу, горы Туаркыр, ТССР. Ув. 2. № 84535. | ![]() |
Рис. 88. Концентрация выделений гидрогетита (темное) вокруг зонтичных образований кварцина (поперечное сечение). Айнабулак, КазССР. Ув. 100(II). Шл. 17. Я. | ![]() |



Фото 111. Ацентрическая полость с серповидным сечением в литофизе, выполненная агатом. Ойе-Лагуна ранчо, Мексика. Длина 14,5 см. № 6452 ПДК.
Фото 112. Центральная и ацентричная полости, минерализованные халцедоном и кальцитом (белое) в фельзитовой литофизе — «глаз с бровью». Айнабулак, КазССР. 12,0X11,0 см. № 83266.
б.
Фото 113. Минерализация полостей смежных литофиз:.
а — квазиидентичное выполнение полостей ониксовым агатом; б — выполнение одной полости ониксовым агатом, другой — кварцем и кальцитом. Айнабулак, КазССР. а — 7,5X6,5 см; б — 9X6 см. а — № 84529; б — № 83220.
Фото 114. Литофиза с луковицеподобным строением, позже разорванная с образованием крупной центральной полости:.
а — общий вид образца: заметны уцелевший участок луковицеподобного строения и фрагменты, оторванные от предыдущего участка; б, в — детали строения: б — уцелевший участок луковицеподобного строения; в — один из отторженцев от луковицеподобной литофизы; а — 5,5X4,5 см; Ангола. № 83762.

Фото 115. Агаты из риолиток.
а — Тарбальджей, Читинская обл., 13,0X8,0 см. № 83232; б— Канэнмывеем, Чукотка, 10,5X6,5 см. № 84760.

Мембраной называют перегородку, непроницаемую хотя бы для одного вида присутствующих в системе ионов [59]. Мембраны могут возникать при различных химических реакциях, в том числе между неорганическими веществами, приводя к весьма интересным последствиям. Так, в опытах Ф. Гергенса [183], которые он проводил еще до создания представлений о полупроницаемых мембранах, мембраны возникали, например, в результате реакции кристаллов железного купороса с раствором Na
SiO
. Ф. Гергенс так описывает результаты опыта после погружения кристалла железного купороса в разбавленный раствор Na
SiO
: «Кристалл мгновенно подвергался воздействию (раствора Na
SiO
— Авт.) по всей своей поверхности и покрывался очень тонкой оболочкой из зеленовато-коричневого кремнекислого железа. Эта оболочка окружала твердый кристалл, наподобие пузыря. Благодаря эндосмосу под нее проникало все большее и большее количество воды из раствора жидкого стекла, так что оболочка, заполненная жидкостью, скрыла, наконец, контуры кристалла. Затем избирательное растворение купороса начало прорывать в отдельных местах защитную оболочку и устремляться вверх в тяжелом жидком стекле. С момента прорыва снова происходило взаимодействие раствора сульфата железа и кремнекислоты и поднимающаяся капля после выхода наружу также покрылась оболочкой кремнекислого железа. Благодаря этому образовалась закрытая сверху коричневая трубочка, которая быстро росла вверх до выхода на поверхность раствора жидкого стекла. Трубочки имели толщину 0,5 — 1,5 мм; из кристалла величиной 1 см в один и тот же момент восставало примерно 5 и более трубочек, пока от места, где он лежал, не поднимался вверх целый пучок трубочек, достигающий поверхности жидкости». И далее: «Не всегда рост этих нитей происходил в одинаковой форме. Он часто останавливался. Верхний конец нити несколько набухал, и в наиболее тонком месте его прорывало жидкое содержимое, после чего из него начиналось образование новой, чаще всего более тонкой трубочки... благодаря боковым прорывам иногда возникали ветвления... В момент вливания в растворимое стекло концентрированного раствора железного купороса часто возникает пучок спутанных полых червеобразных нитей, вокруг которых позднее при известных обстоятельствах может располагаться твердая кремнекислота в виде опала. Если с растворимым стеклом взаимодействуют разбавленные растворы купороса, то чаще всего возникает клубок тонких, неправильных полых нитей, похожий на губку для ванны» [183, с. 801].
Защитная оболочка раздувается вследствие осмотического давления под действием молекул воды, проникающих сквозь мембрану, не пропускающую крупных полимерных «молекул» кремнекислоты. Устремление вверх раствора соли (в данном случае FeS0
) исследователи после Ф. Гергенса связывали с различиями плотности раствора купороса (плотность более низкая) и вмещающего раствора силикатного стекла (плотность более высокая). В то же время в качестве «подъемной» силы, заставляющей мембранную трубку тянуться вверх, возможно более существенную роль играет небольшой воздушный пузырек, обычно образующийся у вершины трубки. На него обратил внимание еще А. Принз [230]; в наших опытах все трубки имели вверху такой пузырек, возникающий скорее всего за счет выделения воздуха из раствора при кристаллизации нерастворимой соли. Представляется, что роль этого пузырька в движении мембранной трубки может быть весьма существенной, хотя до сих пор никто ему не придавал подобного значения.
Описывая результаты повторения опытов Ф. Гергенса, Р. Э. Лизеганг [205] отмечал, что если брать разбавленный раствор Na
Si0
, можно получить многократное переплетение нитей. Кроме того он писал, что теперь (после образования мембранной трубки) наступает дальнейший обмен путем диффузии через стенки нитей. Благодаря этому вокруг них осаждается кремнекислота. Это приводит к той концентрической последовательности оболочек, которую описал Ф. Гергенс. Она соответствует оболочкам (поясам) в моховых агатах, окружающим вначале отдельные нити, затем две и большее их число.
Далее были получены мембранные трубки при взаимодействии большого числа веществ, например, растворов Na
Si0
и К^Юз с кристаллами сульфатов и галогенидов Си, Со, Ni, Mn, Fe и др. [232, 233]. Наряду с этим были получены мембранные трубки и без применения студней силикатов К и Na, например, трубки Cu
[Fe(CN)
], образующиеся в результате взаимодействия K
[Fe(CN)6] и CuS0
-5H
0 [261], Fe
[Fe (CN)
] и Ni
[Fe(CN)
] — в результате взаимодействия K
[Fe(CN)6] с FeCl
и NiCl
[232], трубки СаСОз — при взаимодействии кусочков соды с раствором СаС1
[233] и др.
Особый интерес представляет реакция взаимодействия растворимого стекла с FeCl
, в результате которой образуются мембранные трубки из кремнекислоты. Касаясь этой реакции, Р. Э. Лизеганг [205] пишет, что особенно быстро и красиво возникают крупные червеобразные выделения, если в концентрированное или слабо разбавленное растворимое стекло бросить кусочек хлорного железа. Оболочка при этом состоит из кремнекислоты. Выделившаяся (гидролитически) из хлорида железа соляная кислота проходит эту оболочку и накапливается вне кремнезема (продолжая гидролизовать Na
SiO
с образованием Si0
и NaCl). Во внутренней части возникает гидроксид железа.
Наконец, касаясь морфологических особенностей мембранных трубок, надо отметить еще одну характерную их черту — ритмичное удлиненно-четковидное строение, связанное с пульсационно-ритмичным их ростом. Это обстоятельство зафиксировали в рисунках А. Принз [230], Г. Квинке [232, 233], С. Ледюк [203], и отражено Ф. В. Чухровым [131]. Подтверждено оно и нашими опытами по получению мембранных трубок заливанием кристалликов железного, никелевого или медного купороса силикатным (конторским) клеем, представляющим в основном водный раствор Na
Si0
(рис. 91). Одновременно отмечались трубки с геликоидальным закручиванием и местные утолщения (раздувы) трубок с последующим выходом из них новых более тонких мембранных трубочек.
Исследование морфологических особенностей синтетических мембранных трубочек показало, однако, что для них не характерны типичные природным трубкам взаимопересекающиеся ветвления, образования типа ячеистых занавесей и провисы. Кроме того, во всех опытах с твердыми веществами они росли вверх от последних, что согласуется с представлениями об их росте за счет разности плотностей растворов по обе стороны от мембраны или за счет подъемной силы пузырька воздуха, образующегося вверху трубки. Лишь в некоторых опытах Г. Квинке [233] мембранные трубки получались при взаимодействии раствора, поступаю-
![]() |
Рис. 91. Мембранные трубки силикатного соединения меди, полученные при взаимодействии медного купороса с силикатным клеем. а — общий вид трубок, поднимающихся вверх от кусочков медного купороса, ув. 5; б — деталь строения трубки, ув. 40. |
щего в студень по трубочке, причем в этом случае они росли вниз от трубочки, хотя причины этого остаются непонятными.
Подводя итог описанию морфологических особенностей мембранных трубок, получаемых опытным путем, и сопоставляя их с наблюдениями над трубчатыми образованиями в моховых агатах, можно отметить следующее:.
1.
Искусственные мембранные трубки сходны с моховыми образованиями в агатах по нескольким признакам:.
а) резкому преобладанию длины над толщиной;.
б) сохранению диаметра на значительных отрезках;.
в) удлиненно-четковидному ритмичному строению — наблюдается не у всех природных трубок;.
г) зонально-концентрическому строению трубок в поперечном срезе; в искусственных трубках это наблюдается не всегда, хотя для трубок, получаемых из Na2SiO
и FeCl
, оно типично (см. выше).
2.
В местах разрыва мембранных трубок появляются баллонообразные выросты, служащие основаниями для новых тонких мембранных трубок (рис. 91, б и фото 74).
3.
Мембранные трубки образуют либо параллельную систему трубок, подчиняющуюся законам гравитации, либо спутанно-волокнистые мочалковидные агрегаты, что определяется условиями их образования.
4.
Для искусственных мембранных трубок известно ветвление, напоминающее ветвление растений, прожилков на листьях и т. п., тогда как на искусственных трубках нами такие случаи не наблюдались, хотя они описаны Р. Э. Лизегангом [205] и могут предполагаться на некоторых фотографиях, приводимых Г. Квинке [232].
5.
Для искусственных мембранных трубок не отмечены соединения в виде провисов, столь типичные для моховиков.
6.
Мембранные трубки образуются в разбавленных растворах низкомолекулярных веществ, поэтому они не могут быть признаком образования в студнях, и для доказательства существования последних (студней) необходимы дополнительные данные.
Представляется, что многие из перечисленных различий в морфологии синтетических и природных мембранных трубок могут найти объяснение, если предположить, что последние могут возникать при фронтальном замещении кальцита минералами семейства кремнезема или при развитии мембранных трубок по плоскостям спайности кальцита. Именно в этом случае получаются ячеистые занавеси и формируются типичные для них трубчатые провисы (см. рис. 71; 72) столь сходные с занавесами из мембранных (?) трубок (см. рис. 90). Принятие подобного механизма образования мембранных трубок может объяснить также свешивание подобных занавесей с кровли миндалин, отклонение их положения от направления сил гравитации.
Изучение тонковолокнистых агрегатов в агатах, связанных с риолитами, показывает не только их приуроченность к сильно измененным участкам породы, но и то, что в непосредственной близости от подобных скоплений порода (под микроскопом) уже не представляется монолитной, но состоит из плотных нитяных скоплений, аналогичных свешивающимся с поверхности ее обломков (фото 137).
Все это наводит на мысль, что выщелачивание риолита иногда происходит весьма своеобразно с проявлением спутанно-волокнистых образований, которые возможно служили своего рода кремнеземистым каркасом в неизмененном стекле. Такие представления тем более вероятны, что экспериментально удавалось получить волокнистый «гель» кремнезема, например, при кислотной обработке сепиолита, причем отдельные волокна такого кремнезема достигали 1,5 мкм длины. На фотографии, полученной с помощью сканирующего электронного микроскопа, их скопления напоминают сплетение тончайших мембранных трубок [185], и не исключено, что они могут служить основой образований, принимаемых за таковые.
Представление о широком распространении в агатах мембранных трубок настолько распространилось, что за них часто принимают иные образования. Из важнейших ошибок этого рода следует отметить отождествление с мембранными трубками:.
а) настыльных лавовых сосулек, наиболее тонких и узловатых;.
б) тонких, особенно ажурных лавовых пережимов, возникающих при коалесценции соседних газовых пузырей (фото 85);.
в) тонкодендритных вростков различных минералов (главным образом гидроксидов и оксидов марганца и железа);.
г) различных форм халцедоновых занавесей, игл и т. п., возникающих при замещении халцедоном карбонатов (см. рис. 69, 71, 72);.
д) тонкосферолитовых чехлов, например, а-кристобалита, покрывающих игольчатые кристаллы морденита и т. п. минералов;.
е) нитяных реликтов, возникающих в полостях выщелачивания силицитов.
Таким образом, отнесение тех или иных образований к мембранным трубкам каждый раз требует специального их исследования.
В заключение следует отметить, что моховики, характеризующиеся обилием «мембранных» трубок, известны далеко не на всех агатовых месторождениях. Так, они широко распространены во многих агатовых месторождениях Монголии (восточная часть хр. Арц-Богдо, район курорта Далан-Туру, Улугей-Хид и др.), сравнительно часто встречаются среди Иджеванских агатов в Армении, агатов Тулдунского месторождения в Бурятии. Напротив, они не характерны для месторождений Северного Тимана, Ахалцихского района ГрузССР, окрестностей Павлодара и Актюбинска, россыпей по р.Зее к югу от г. Свободного, мыса Шмидта на Чукотке и окрестностей пос. Палана на Камчатке. Для агатов из риолитов моховики в целом не характерны, хотя изредка в них обнаруживаются мембранные трубки. Моховики с мембранными трубками не наблюдаются в агатах из осадочных пород, хотя в некоторых подобных месторождениях известны прекрасные псевдосталактиты на длинных, иногда прихотливо изогнутых мембранных (?) трубках.
Помимо моховиков, главную отличительную особенность которых составляют «мембранные» трубки, известны так называемые сагенитовые агаты, которые иногда принимают за моховики. Они характеризуются присутствием тонкоигольчатых, чаще радиально-лучистых, иногда почти спутанно-волокнистых образований. В нашем распоряжении было всего два таких сагенитовых агата с Арц-Богдо, Монголия (фото 69), игольчатый минерал в которых полностью замещен халцедоном. Р. Пебиен [226] отмечает типичность сагенитов для многих вулканогенных месторождений США и Мексики, указывая в них в качестве основы пустотелые арагонитовые иглы, а как вторичные минералы — сидерит, рутил, гётит, гипс и барит. К сожалению, надежной диагностики арагонита и других перечисляемых минералов он не приводит. В то же время она вызывает сомнения, и прежде всего в отношении рутила, за который многие авторы принимали иглы гётита; требуют подтверждения и другие названные им минералы.



